動画の解説を参照
ネガティブエッジトリガ型JK-FFには、(これまで省略していましたが) リセット用の入力があります。
この入力 \(R\) を1にすると、\(CLK\) の値が何であっても強制的に \(Q\) が 0 になります。
\(R=0\) に戻すとまたこれまで通りの動作になります。
前回見たアップカウンタは、4進、8進、16進、...のように2の累乗進数のカウンタに限定されていましたが、リセットを上手く使えばそれ以外のカウンタも作れます。
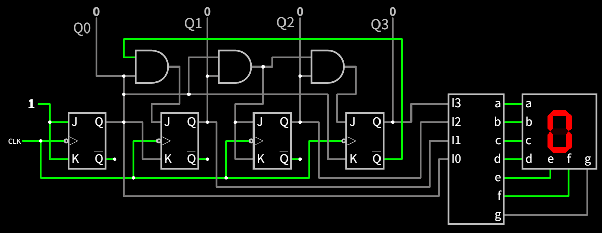
16進カウンタは0→1→2→...→8→9→10→11→12→13→14→15→0→1→... という動作をしますが、
\(Q\), つまり \(Q_3Q_2Q_1Q_0\) の並びの2進数が \((1010)_2=(10)_{10}\) になった瞬間に \(Q_0\)~\(Q_3\) を強制的に 0 にすれば、
10進カウンタ、つまり 0→1→2→...→8→9→0→1→... のような動作になります。
\(Q_3\bar{Q}_2Q_1\bar{Q}_0\)
は \(Q_3=1, Q_2=0, Q_1=1, Q_0=0\) のとき、つまり \(Q\) が 10 のときだけ 1 になり、それ以外では 0 になるので
このように \(Q_3\bar{Q}_2Q_1\bar{Q}_0\) を4つのネガティブエッジトリガ型JK-FFのリセットに入れる回路を作れば、10進アップカウンタになります。
10 になったあとで強制的に 0 に戻されるので、オシロスコープではこのように一瞬だけ 10 になるのが確認できます。
(10 になるのは一瞬だけなので、人間の目には7セグメントLEDの表示が 9 の次に 0 に変わったように見えます)
※ 準備 : 学籍番号を入れて「入力」をクリック (タップ) してください。
10進アップカウンタ回路 の配線を変え、
進アップカウンタ回路に変更してURLを提出してください。
※ 7セグメントLEDの表示が
のあとに 0 になれば正しい動作です。
課題1解説
動画の解説を参照
前項で見た10進カウンタでは、一瞬だけ「10」の状態が発生してしまうため、機械的な測定などには向かないことがあります。
そのような用途では、ほんとうに 9 の次に 0 に変わるような回路が必要になります。
準備段階として、0→1→2→3→4→0→1→... のように変化する 5進アップカウンタを考えてみます。
(前項と同じ考え方で、8進カウンタで「5になったらリセット」する信号を3つの \(R\) に入れればほぼ同様になりますが、
これも一瞬だけ 5 になってしまいます)
それには、3つのネガティブエッジ型JK-FF に同じ \(CLK\) を入れ、直前の状態に応じて \(J, K\) に適切なものが入るようにします。
クロックの立ち下がりの前後で「こうなって欲しい」動作を真理値表にまとめるとこのようになります。
| 変化前 |
変化後 |
\(J_2\) |
\(K_2\) |
\(J_1\) |
\(K_1\) |
\(J_0\) |
\(K_0\) |
| \(Q_2\) |
\(Q_1\) |
\(Q_0\) |
\(Q_2\) |
\(Q_1\) |
\(Q_0\) |
| 0 |
0 |
0 |
0 |
0 |
1 |
0 |
\(x\) |
0 |
\(x\) |
1 |
\(x\) |
| 0 |
0 |
1 |
0 |
1 |
0 |
0 |
\(x\) |
1 |
\(x\) |
\(x\) |
1 |
| 0 |
1 |
0 |
0 |
1 |
1 |
0 |
\(x\) |
\(x\) |
0 |
1 |
\(x\) |
| 0 |
1 |
1 |
1 |
0 |
0 |
1 |
\(x\) |
\(x\) |
1 |
\(x\) |
1 |
| 1 |
0 |
0 |
0 |
0 |
0 |
\(x\) |
1 |
0 |
\(x\) |
0 |
\(x\) |
\(x\) : don't care
例えば表の1行目 (000→001) では変化の前後で \(Q_2\) がどちらも 0 です。
これを実現するには \(J_2=0, K_2=0\) にして「保持」にするか、\(J_2=0, K_2=1\) にして\(Q_2\) を 0 にすればいいので、
表ではこれらの部分が「0」「\(x\)」になっています。
\(J_1, K_1, J_0, K_0\) についても同様です。
\(J_2\) だけに注目すると、\(Q_2\)~\(Q_0\) についてのカルノー図が描けて、図から \(J_2=Q_1Q_0\) にすればいいことがわかります。
| \(Q_2\) \ \(Q_1Q_0\) |
00 |
01 |
11 |
10 |
| 0 |
|
|
1 |
|
| 1 |
\(x\) |
\(x\) |
\(x\) |
\(x\) |
同様にして残りの論理式も求めると以下のようになります。
| \(J_2 = Q_1Q_0\), |
\(K_2=1\) |
| \(J_1 = Q_0\), |
\(K_1=Q_0\) |
| \(J_0 = \bar{Q}_2\), |
\(K_0=1\) |
この論理式を回路で作り、それぞれのJK-FFの J と K に入れるとこのようになります。
このような回路を
同期式5進アップカウンタといいます。
\(R\) で強制的に 0 にしたときとは異なり、このように 4 のあとは自然に 0 に戻ります。
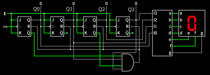
同期式10進アップカウンタも同様にして作れます。
真理値表とカルノー図は省略しますが、同様に \(Q_3Q_2Q_1Q_0\) が 0000→0001→0010→...→1001→0000→0001→...のように変化する条件をすべて満たすように J, K に入るものを決めると
| \(J_3 = Q_2Q_1Q_0\), |
\(K_3=Q_0\) |
| \(J_2 = Q_1Q_0\), |
\(K_2 = Q_1Q_0\) |
| \(J_1 = \bar{Q}_3Q_0\), |
\(K_1 = Q_0\) |
| \(J_0 = 1\), |
\(K_0 = 1\) |
となります。この論理式を回路で作り、それぞれのJK-FFの J と K に入れるとこのようになります。
前項の非同期式 10進カウンタとは異なり、このように 9 のあとは自然に 0 に戻ります。